FP6600Q/FP6601Q的区别?设计指导?最新手机测试表?
- 2018-08-22 15:29:00
- admin 原创
- 12708
1. 简述
2. FP6600Q/FP6601Q 区别,设计指导
3. FP6600Q/FP6601Q 最新手机快充测试表格
· 简述:
FP6600Q/FP6601Q 是颗手机快充充电协议识别 IC ,可自动识别充电手机,并于手机进行充电协议的握手沟通,然后调整充电器的输出电压,在保护充电设备的前提下,使之获得设备允许的安全最高充电电压。
同时, FP6600Q/FP6601Q 支持智能识别,使手机识别成原装充电器一般,进行全速充电,使得大大节省充电时间。
FP6600Q/FP6601Q 支持充电协议:
● 完全支持快速充电 QC3.0 , QC 2.0, 华为海思快充 FCP ,三星 AFC 快充;
● 支持 USB 充电规范 BC1.2 ;
● 支持中国通信行业标准 YD/T 1591-2009 ;
● 支持苹果 Apple ( 5V1A,5V2A,5V2.4A )设备;
● 支持三星( 5V2A )设备;
●D+,D- PIN脚高耐压14V;
● 输出电压不会随温度提高而变化;
●即使D-,D+异常损坏情况下,不会输出高压,会过压保护锁定只5V输出。
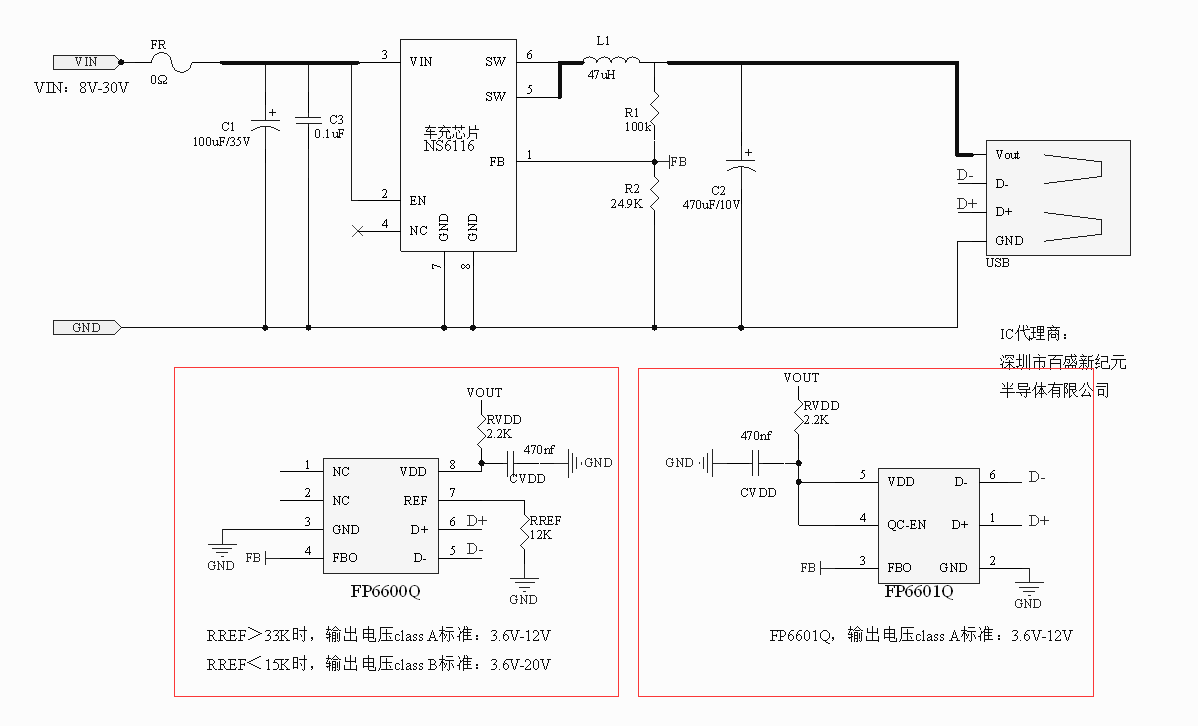
· FP6600Q/FP6601Q 区别,设计指导:
区别:
FP6600Q和FP6601Q支持的手机充电协议是一样的,区别就在于,输出电压标准:FP6600Q是可以class A(3.6V-12V)和class B(3.6V-20V) 中进行任意选择, FP6601Q是固定classA标准。
同时,FP6600Q还能于CHY103D,SC0163D互相替换,三者IC脚位PIN对PIN,无需更改PCB,还能丰富原先使用CHY103D和SC0163D充电产品的兼容性(+苹果5V2A,2.4A和华为FCP,三星AFC),并能通过FP6600Q的7脚REF电阻进行最大输出电压设置。
设计指导:
首先,我们先看下 IC 脚,
FP6601Q PIN 脚:
1 脚和 6 脚是( D+,D- ),很明显的直接连接 USB 口的 D+,D- 即可;
2 脚是 GND ,直接接地;
3 脚是 FB0 ,是控制 power IC ( AC-DC/DC-DC 电源 IC )的输出电压,连接 power IC 的 FB 脚(反馈脚);
4 脚 QC-EN ,可与 5 脚短路或者悬空;注意在直接接地时,高压快充功能关闭,保留智能识别,
5 脚 VDD 供电脚,电阻 2.2K 接到 VOUT 输出,电容 470nF 接地即可。
FP6600Q PIN 脚:
1 脚, NC ;
2 脚, NC ;
3 脚 GND ,直接接地;
4 脚 FB0 ,是控制 power IC ( AC-DC/DC-DC 电源 IC )的输出电压,连接 power IC 的 FB 脚(反馈脚);
5 脚和 6 脚是( D- , D+ ),很明显的直接连接 USB 口的 D+,D- 即可;
7 脚 REF ,输出电压标准控制脚, RREF < 15K 时,是 ClassB 标准( 3.6V-20V ) , RREF > 33K 时,是 ClassA 标准( 3.6V-12V );
8 脚 VDD 供电脚,电阻 2.2K 接到 VOUT 输出,电容 470nF 接地即可。
从上图,我们可以看出,FP6600Q/FP6601Q,于power IC的连接就4个点:
1. D+
2. D-
3. FB反馈脚
4. VDD供电脚RCDD电阻2.2K,接到VOUT
是比较简单的。
注意:FP6600Q,FP6601Q是于手机进行握手沟通后,控制使其power IC的输出电压改变,也就是说输出电压,电流都是看power IC的能力,例如:POWER IC就是受雇的劳工,FP6600Q,FP6601Q是只负责指挥的雇主。
POWER IC 的选型:
AC-DC
1. 副边反馈型,例如:OB2263,DK125等;
2. 满足快充USB口所需的最大输出功率(电压*电流),一般是18W。
DC-DC
1. 满足快充USB口所需的最大输出功率(电压*电流),一般是18W。
FP6600Q/FP6601Q 最新手机快充测试表格:

// 禁止右键查看源代码 //禁止拷贝代码,不能选中内容
| 联系人: | 郑晓晓 |
|---|---|
| 电话: | 13534212799 |
| Email: | szparkson@126.com |
| QQ: | 3530216696 |
| 微信: | 13534212799 |
| 地址: | 深圳市福田区深南路赛格广场24楼2405A |






