CN3170 符合JEITA标准可用太阳能供电的锂电池充电管理芯片
详情
概述:
CN3170是可以用太阳能供电的单节锂电池充电管理芯片。该器件内部包括功率晶体管,不需要外部的电流检测电阻和阻流二极管。内部的充电电流自适应模块能够根据输入电源的电流输出能力自动调整充电电流,用户不需要考虑最坏情况,可最大限度地利用输入电源的电流输出能力,非常适合利用太阳能板等电流输出能力有限的电源供电的锂电池充电应用。CN3170只需要极少的外围元器件,非常适合便携式应用的领域。热调制电路可以在器件的功耗比较大或者环境温度比较高的时候将芯片温度控制在安全范围内。内部固定的恒压充电电压为4.2V,也可以通过一个外部的电阻向上调节。充电电流通过一个外部电阻设置。当输入电压掉电时,CN3170自动进入低功耗的睡眠模式,此时电池电流小于3微安。
其它功能包括输入电压过低锁存,自动再充电,符合JEITA标准的电池温度监测,充电电流过流保护以及充电状态/充电结束状态指示等功能。
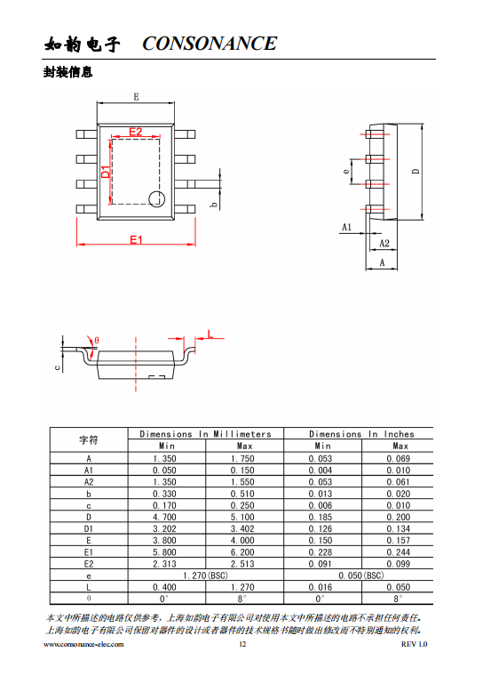
CN3170采用散热增强型8管脚SOP封装(eSOP8)。
应用:
l 太阳能应急灯
l 美容,美颜仪器
l 太阳能充电器
l 便携式装置
l 各种独立充电器
特点:
l 内部集成有充电电流自适应模块,能根据输入电压源的电流输出能力自动调整充电电流
l 可利用太阳能板等输出电流能力有限的电压源供电的锂电池充电应用
l 输入电压范围:4.4V 到 6V
l 不需要外部阻流二极管和电流检测电阻
l 恒压充电电压4.2V,也可通过一个外部电阻向上调节
l 恒压充电电压可以通过外部电阻设置在4.35V或4.4V,适合三元锂电池充电
l 可设置的持续恒流充电电流可达1A
l 充电电流过流保护功能可以防止ISET管脚短路或错误使用异常偏小电阻的损害
l 可作为电压源使用
l 内部软启动电路
l 为了激活深度放电的电池和减小功耗,在电池电压较低时采用涓流充电模式
l 采用恒流/恒压/恒温模式充电,既可以使充电电流最大化,又可以防止芯片过热
l 电源电压掉电时自动进入低功耗的睡眠模式
l 充电状态和充电结束状态双指示输出
l 自动再充电
l 符合JEITA标准的电池温度监测功能
l 封装形式:eSOP8
l 产品无铅,满足rohs,不含卤素

CN3170是可以用太阳能供电的单节锂电池充电管理芯片。该器件内部包括功率晶体管,不需要外部的电流检测电阻和阻流二极管。内部的充电电流自适应模块能够根据输入电源的电流输出能力自动调整充电电流,用户不需要考虑最坏情况,可最大限度地利用输入电源的电流输出能力,非常适合利用太阳能板等电流输出能力有限的电源供电的锂电池充电应用。CN3170只需要极少的外围元器件,非常适合便携式应用的领域。热调制电路可以在器件的功耗比较大或者环境温度比较高的时候将芯片温度控制在安全范围内。内部固定的恒压充电电压为4.2V,也可以通过一个外部的电阻向上调节。充电电流通过一个外部电阻设置。当输入电压掉电时,CN3170自动进入低功耗的睡眠模式,此时电池电流小于3微安。
其它功能包括输入电压过低锁存,自动再充电,符合JEITA标准的电池温度监测,充电电流过流保护以及充电状态/充电结束状态指示等功能。
CN3170采用散热增强型8管脚SOP封装(eSOP8)。
应用:
l 太阳能应急灯
l 美容,美颜仪器
l 太阳能充电器
l 便携式装置
l 各种独立充电器
特点:
l 内部集成有充电电流自适应模块,能根据输入电压源的电流输出能力自动调整充电电流
l 可利用太阳能板等输出电流能力有限的电压源供电的锂电池充电应用
l 输入电压范围:4.4V 到 6V
l 不需要外部阻流二极管和电流检测电阻
l 恒压充电电压4.2V,也可通过一个外部电阻向上调节
l 恒压充电电压可以通过外部电阻设置在4.35V或4.4V,适合三元锂电池充电
l 可设置的持续恒流充电电流可达1A
l 充电电流过流保护功能可以防止ISET管脚短路或错误使用异常偏小电阻的损害
l 可作为电压源使用
l 内部软启动电路
l 为了激活深度放电的电池和减小功耗,在电池电压较低时采用涓流充电模式
l 采用恒流/恒压/恒温模式充电,既可以使充电电流最大化,又可以防止芯片过热
l 电源电压掉电时自动进入低功耗的睡眠模式
l 充电状态和充电结束状态双指示输出
l 自动再充电
l 符合JEITA标准的电池温度监测功能
l 封装形式:eSOP8
l 产品无铅,满足rohs,不含卤素
深圳市百盛新纪元半导体有限公司
| 联系人: | 郑晓晓 |
|---|---|
| 电话: | 13534212799 |
| Email: | szparkson@126.com |
| QQ: | 2851339680 |
| 微信: | 13534212799 |
| 地址: | 深圳市福田区深南路赛格广场24楼2401B |
产品分类
