JD6628快充方案65W 2C1A ,67W 2C1A ,65W 1C1A,45W1C1A,35W 1C1A,45W 2C,65W 2C,100W 2C1A,140W 2C1A,100W 2C1A,140W 3C1A
- 2026-03-14 15:31:00
- admin 原创
- 206
JD6628 快充方案 65W 2C1A , 67W 2C1A , 65W 1C1A , 45W1C1A, 35W 1C1A , 45W 2C , 65W 2C , 100W 2C1A , 140W 2C1A , 100W 2C1A , 140W 3C1A
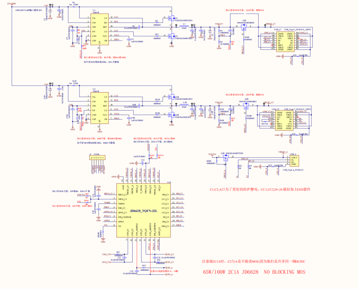
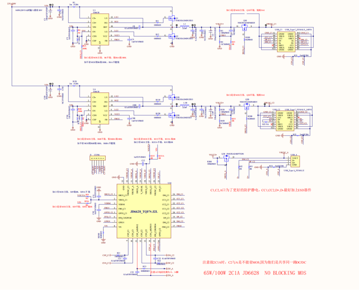
JD6628+占空比100%D/D 20W JD6628支持2C1A应用,C1单独使为为65W, FB1控制ACDC,FB2控制DCDC 只需1颗协议IC和1颗小DCDC IC 完成,外围更简洁,系统成本更优 。
65W 支持 2C1A C+A:45W+18W 支持 AVS(9-20V)3A
|
65W C1/C2:5.0V3.0A,9.0V=3.0A,15.0V3.0A,20.0V3.25A,PPS:5-11V/4.5A,5-21V/3A
|
6
7
W
支持
2C1A
|
单
C1/C2 67W 5V/3A,9V/3A,12V/3A,15V/3A,20V/3.35A
|
65W 1C1A
|
65W C1/C2:5.0V3.0A,9.0V=3.0A,15.0V3.0A,20.0V3.25A,PPS:5-21V/3A
|
3 5W 1C1A
|
单
C1
:
45W 5V/3A,9V/3A,12V/3A,15V/3A,20V/3.25A PPS:5-11V/4A,5-20V/2.25A.
|
45W1C1A
|
单
C1
:
45W 5V/3A,9V/3A,12V/3A,15V/3A,20V/3.25A PPS:5-11V/4A,5-20V/2.25A.
|
65W1C1A
|
C1:5.00V 3.00A9.00V 3.00A15.00V 3.00A20.00V 2.25A
|
45W 2C
|
单插
C1/C2:5V3A,9V3A,12V3A,15V3A,20V2.25A PPS:5.0-11.0V4.1A
(显示为
4.5A,
恒流为
4.1A,
恒功率
45W)
|
65W2C
|
单插
C1/C2:5V3A,9V3A,12V3A,15V3A,20V3.25A PPS:5.0-11.0V5A
(恒功率
45W)
|
67W 2C1A
|
65W C1/C2:5.0V3.0A,9.0V=3.0A,15.0V3.0A,20.0V3.25A,PPS:5-21V/3A
|
65W 2C1A
|
单口:
C1/C2=65W
,
A=20W
;
|
65W 2C1A
|
输入
/Input:
|
100W 2C1A
|
Output C1:5V3A 9V3A 12V3A 15V3A 20V5A( 降功率后20V4A 80W)
|
140W 2C1A
|
Output C1:5V3A 9V3A 12V3A 15V3A 20V5A 28V5A( 降功率后20V5A 100W)
|
140W 3C1A
|
C1:PD140W 5V/3A,9V/3A,12V/3A,15V/3A,20V/5A,28V/5A PPS 5-11V/5A( 降功率后20V5A 100W)
|
100W 2C1A
|
Output C1/C2:5V3A 9V3A 12V3A 15V3A 20V5A( 降功率后20V/4A 80W)
|
| 联系人: | 郑晓晓 |
|---|---|
| 电话: | 13534212799 |
| Email: | szparkson@126.com |
| QQ: | 3530216696 |
| 微信: | 13534212799 |
| 地址: | 深圳市福田区深南路赛格广场24楼2405A |



