BC1.2充电协议,BC1.2快充是什么?跟苹果是什么区别
- 2017-06-01 13:20:00
- 百盛 原创
- 23772
本次BC1.2协议,仅仅讲解的是关于手机充电或者设备充电这块的信息。
前言:
平时大家给手机充电没有一直在固定一个的地点,使用固定的一款充电器,在不同的充电器上给手机充电时,我们有时会感觉到:这个充电器充电速度好快,以前在哪里哪里的充电器充电速度很慢。当大众消费者产生了这样对比的结果出来时,大众消费者会普遍认为:充电速度快的充电器,这个充电器的质量肯定非常好。
几年前我当时的想法也是一样的:充电速度快的充电器,这个充电器的质量肯定比较好。
BC1.2协议在手机上是什么?
首先,看下图,这图的这种数据线USB接口,和相对着的USB插口,如充电器的USB插口。,都叫USB type A口,接口的术语叫USB TYPE A 公头, 插口的叫USB TYPE A母座。公头是我们常见到的数据线上面的如下图形状的就是,母座这个普通人不常看到,因为是用在产品上里面的,如各种充电器,电脑的USB接口。 USB Micro-B这个就不讲了,就是形状的区别而已,导致了叫成 Micro-B.
首先:通过下图的USB type A口公头,可以看出,USB type A有4条连接线,正负极和通讯信号D+,D-,所以我们合格的一条手机数据线里面是有4条数据线的,当然也有两条的,就是只有正极和负极的,这样也能充电,就是没有充电协议,如BC1.2充电协议。
BC1.2协议是USB接口的一种充电规范,记住是充电的,手机如何判断是不是BC1.2协议呢?就是通过D+和D-短路,也就是连接在一起,手机通过通讯发信号识别到了D+,D-的一个状态,D+,D-连接到一起了,就进入了BC1.2充电协议。
记得几年前苹果,三星手机热火朝天的时候,我拿着一部苹果手机,然后用三星的充电器来给我的苹果手机充电,但是充电非常慢,很慢。这是什么原因呢?是三星的充电器质量很差吗?是我买到假的三星充电器吗?
其实,如果用如下图,即使用三星原装的充电器(5V2A)给苹果手机充电,也是会非常慢的。 为什么呢?
还是因为充电协议的问题。BC1.2充电协议,我们都知道了,是D+,D-连接在一起。
但是苹果,三星可能是觉得即使是BC1.2充电协议的充电电流还是低了,充电时间还是很慢,或者是世界知名公司,必须要有自己特别的,不一样的充电协议等等原因。最终三星和苹果有了自己专属的一套充电协议,反正是自己的手机,搭配自己的充电器,自然也不会管苹果手机充电速度快慢的问题了。所以才又了常说的原装充电器最好,充电最快了
三星和苹果的充电协议,还是通过D+,D-来通讯识别的方式,但是就不是通过D+,D-连接在一起的方式了。
是通过检测D+,D-这两条线的电压值来判断的。 而且三星,苹果的电压值也是完全不一样,所以用三星充电器(5V)去给苹果手机充电,充电电流不会大于1A(1A是BC1.2协议),一般都是0.5A,所以充电电流就慢了差不多一倍时间。
三星和苹果的充电协议:D+,D-电压是多少V呢?
BC1.2协议: DCP模式:最大可以输出 5V1.5A。常用规格是 5V0.5A~ 1A。
识别协议: D+D-短路
APPLE模式: 5W( 5V1A)设备: iphone6以下的 iPhone系列都是 5W充电模式。
识别协议: D+: 2V , D-: 2.7V
10W( 5V2A)设备: iPhone6及以上手机型号及其 IPAD系列都支持。
识别协议: D+: 2.7V , D-: 2V
12W设备( 5V2.4A):仅个别 IPAD平板电脑型号支持。
识别协议: D+: 2.7V , D-: 2.7V
注: 12W 模式向下兼容 10W 和 5W 模式。 10W 模式向下兼容 5W 模式。
识别协议:D+: 1.2V , D-:1.2V
BC1.2协议,苹果的1A协议,苹果的2A协议,苹果的2.4A协议,三星的2A协议,就有5种了,既然这么多种,消费者不是选择起来很麻烦,做充电器的工厂是不是也麻烦了!
消费者的选择很麻烦这个是有的,但是会慢慢越来越少,
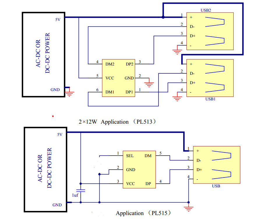
因为从2014年的时候,就有了解决的方案,就是集成了上面5种充电协议的高集成芯片出来。只需要加一个芯片,就能解决上面的5种充电协议的识别问题,就是PL515 和PL513智能充电协议识别芯片了
PL515是单USB口的,PL513是双USB口的,只需要加上这个IC,PL515/PL513就能通过手机的通讯信号,来模拟分配D+,D-的电压或者状态( BC1.2协议,苹果的1A协议,苹果的2A协议,苹果的2.4A协议,三星的2A协议),起到了像原装充电器的充电速度和充电电流。
PL515,PL513也被叫做安卓苹果充电协议IC,安卓苹果充电IC等。BC1.2协议是安卓手机的标配,也是必支持的充电协议。
| 联系人: | 郑晓晓 |
|---|---|
| 电话: | 13534212799 |
| Email: | szparkson@126.com |
| QQ: | 3530216696 |
| 微信: | 13534212799 |
| 地址: | 深圳市福田区深南路赛格广场24楼2405A |









