高效率,低成本QC3.0 / 3A / 2.4A车充方案,供你选择
- 2018-04-12 13:05:00
- 百盛电子 原创
- 21121
QC3.0快充,3A 和 2.4A输出的车充,很多客户都知道:这类产品,市场也是有很多了。
主要是推荐几款高效率,质量可靠,成本实惠的车载充电器IC方案,给大家多一个对比的选项。
EMI这块NS6112,NS6116也是容易过的。 EMI认证方案:链接
NS6322,固定输出电压5V,2.4A可调恒流电流,外围仅仅电容和电感,高集成,过EMI
NS6326,固定输出电压5V,3.0A可调恒流电流,外围仅仅电容和电感,高集成, 过EMI

描述:
2.4A车充IC:NS6112 ( PIN to
3A 车充IC: NS6116 PIN)
输入电压: 8V~30V
IC 频率: 130kHz
占 空 比 : 100%
保护功能: 过温保护,
输出短路保护
输入欠压
/
过压保护等
线缆补偿:带线补
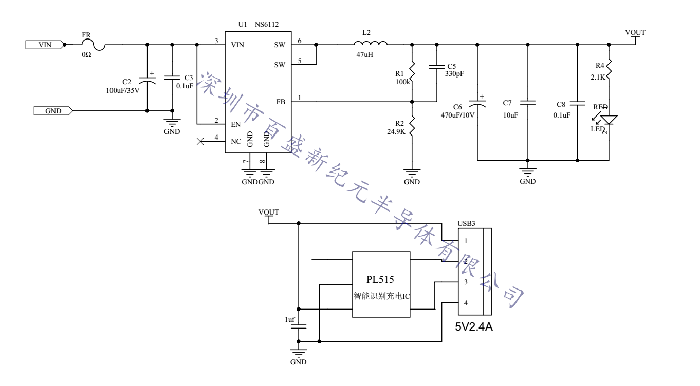
NS6112单口2.4A智能识别车充原理图:
智能识别充电 : 苹果5V1A,5V2A,5V2.4A
三星5V2A
BC1.2协议

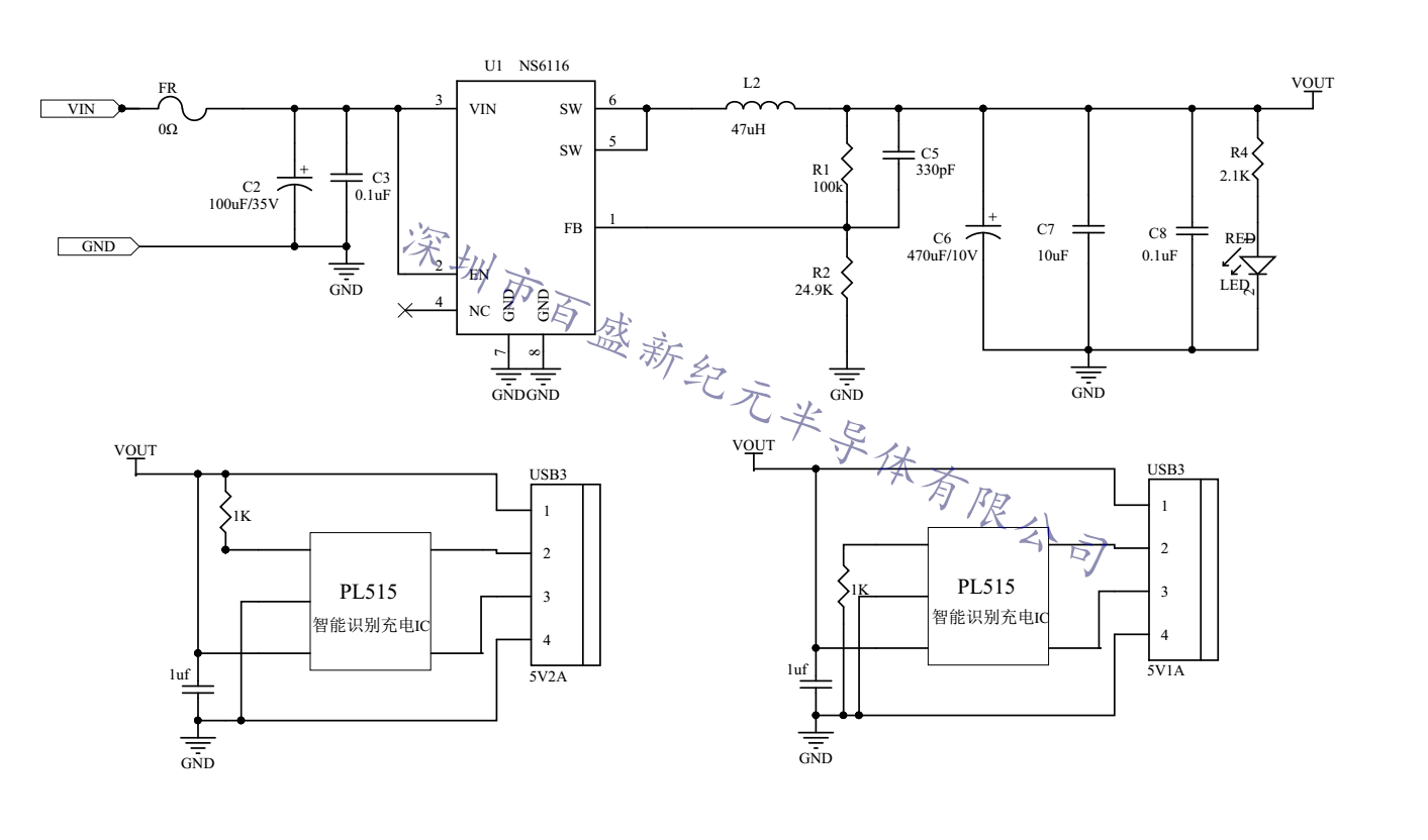
NS6116双口2A+1A智能识别车充原理图:
智能识别充电: 苹果5V1A,5V2A,5V2.4A
三星5V2A
BC1.2协议
NS6112
效率测试
VIN
VOUT
备注
电压(
V
)
电流(
A
)
电压(
V
)
电流(
A
)
效率(
%
)
12.00
0.96
5.41
2.00
93.92
24.00
0.48
5.31
2.00
92.18
12.00
1.19
5.53
2.40
92.94
24.00
0.59
5.44
2.40
92.20
PCB正反面:
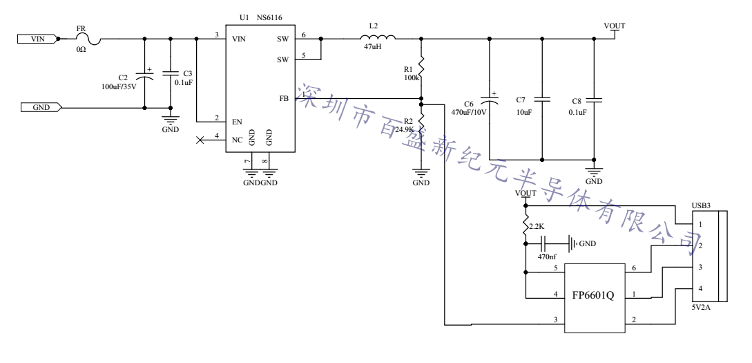
NS6116单口QC3.0智能识别车充原理图:
支持充电协议:QC3.0,QC2.0
华为FCP
三星AFC
苹果5V1A,5V2A,5V2.4A
三星5V2A
BC1.2协议

NS6116
效率测试
VIN
VOUT
备注
电压(
V
)
电流(
A
)
电压(
V
)
电流(
A
效率(
%
)
12.00
0.92
5.17
2.00
93.65
24.00
0.46
5.10
2.00
92.39
12.00
1.47
5.44
3.00
92.51
24.00
0.73
5.35
3.00
92.39
12.00
1.64
9.52
2.00
96.74
24.00
0.84
9.59
2.00
95.13
12.00
1.50
11.87
1.50
98.91
24.00
0.79
12.13
1.50
95.96
PCB正反面:

元器件清单(BOM)
:
元件名称
元件参数
元件描述
封装名称
数量
Designator
Comment
Description
Footprint
Quantity
C1, C9
0.1uF/35V,X7R,±10%
Capacitor,ceramic
0805
2
C2
100uF/35V,φ6.5*8.2
Capacitor,aluminum electrolytic
CD_3.5*8.2
1
C4
1nF/35V,X7R,±10%
Capacitor,ceramic
0805R
1
C5
330pF/35V,X7R,±10%
Capacitor,ceramic
0805R
1
C6
470uF/10V,φ6.5*8.2
Capacitor,aluminum
CD_2.5*6.5
1
L1
47uH,Wire-φ0.4mm
Inductor'
L6.5*12_2
1
R2
10Ω,±5%
Resistor
R0603
1
R3
100K,±1%
Resistor
R0603
1
R4
24.3K,±1%
Resistor
R0603
1
USB1
USB
USB-Receptacle
USB_DIP-13.6
1
1
Approved
Notes
12
| 联系人: | 郑晓晓 |
|---|---|
| 电话: | 13534212799 |
| Email: | szparkson@126.com |
| QQ: | 3530216696 |
| 微信: | 13534212799 |
| 地址: | 深圳市福田区深南路赛格广场24楼2405A |








